Processing

Home > Jonagiri >Processing

Introduction

Based on the metallurgical evaluations that have been completed, the Jonnagiri ore is a free milling gold ore with a considerable gravity recoverable component. The metallurgical test work programme has been conducted primarily at the facilities of SGS Johannesburg, South Africa with additional evaluation being conducted at the Indian Bureau of Mines (“IBM”) facility in Bangalore. Series of metallurgical evaluations, Heap leach potential, Comminution work, Gold deportment studies, Gravity evaluation, Gold extraction leaches, CIL Optimisation test work, Fineness of grind, Reagent consumption, Leach time evaluation, Slurry density evaluation, Oxygen requirement, Thickening and Settling evaluation, Viscosity evaluation, Detoxification requirement studies and Environmental evaluation were conducted on the drill samples or selections and composites of these samples

Gold Recovery Estimate

The gold recovery estimate, as developed for the Jonnagiri Gold Project, has been based on test work completed on the medium-and coarse-grained samples. The results of which were modified by ‘White’s Rule’, which is an empirical relationship between head grade and tailings value, in an attempt to predict the grade-recovery relationship. The leach recovery curve as developed during the variability test work and smoothed is shown in the figure below.

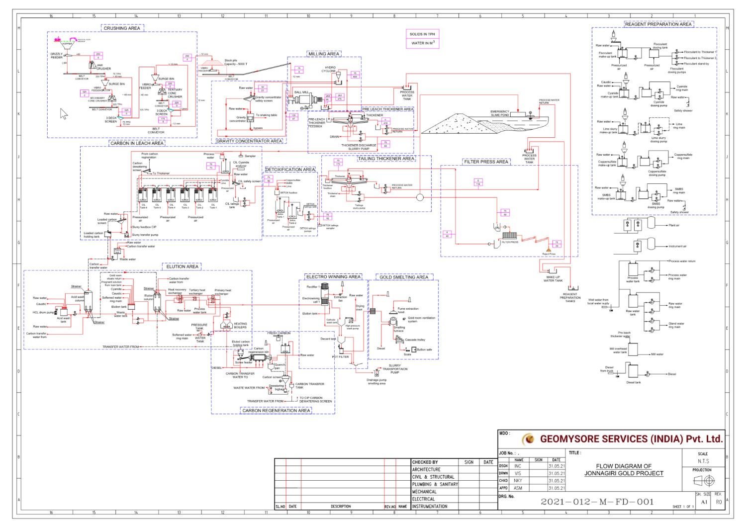
Process Design

The mentioned test works served as the basis for selecting the process design. The comminution circuit will consist of a three-stage crushing plant followed by a ball mill in closed circuit with a hydro-cyclone to treat nominally 1,000 tonnes per day at a milling rate of 50 tph. Further the processing circuit will consist of gravity gold recovery, cyanide leach with Carbon in Leach (“CIL”), carbon elution, electro-winning and smelting of doré, tailings detoxification for contained cyanide followed by tailings disposal. The plant has been designed to comply with the process specifications as required by the project team for the 1,000tpd gold ore beneficiation plant.

The above diagram indicates a simplified block flow diagram
for the processing plant.

Pilot Processing Plant

Until the commissioning of the final processing plant, a pilot scale processing plant consisting of recovery of gold using gravity technique has been already established with the design criteria as per the conducted test works. The processing capacity of this plant is 2 tons per hour. This pilot plant has helped in understanding the commercial and technical aspects with enhanced assurance towards minimizing the risk on the final processing plant and on the entire project.

The pilot plant has the following technical specification

  1. Plant Capacity: 3 TPH
  2. Crushing : Two Stage
  3. Grinding : Ball Mill
  4. Gravity Separation : Knelson, Spiral, Shaking Table
  5. Smelter : 100 kW Smelter
  6. Plant Feed Grade : +1.5g/ton
  7. Gold Production : +1 kg/month

The above image indicates the overview of the pilot processing plant.

Ball Mill

Knelson Concentrator

Crushing Unit

The following image process indicates the gravity concentration technique used in the pilot plant.

The following figure indicated the detailed flowsheet of the plant.